變位機2PF300/500/1000
從最小的25kg到最大的1000kg,中間一共6種機型;
可通過機器人的示教盒進行操作,可與機器人同時進行示教工作;
采用的是AC伺服馬達和無背隙減速機,因此可以得到和機器人同樣的高精度;
與機器人配套使用時,可以實現協調動作。(協調軟件選購)
從最小的25kg到最大的1000kg,中間一共6種機型;
可通過機器人的示教盒進行操作,可與機器人同時進行示教工作;
采用的是AC伺服馬達和無背隙減速機,因此可以得到和機器人同樣的高精度;
與機器人配套使用時,可以實現協調動作。(協調軟件選購)

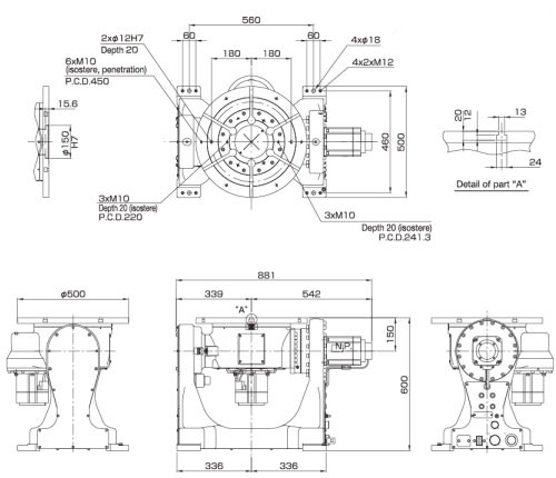
| 型號 | A2PF301-JNN | A2PF501-JNN | A2PF1001-JNN |
| 最大搭載重量 | 300kg | 500kg | 1000kg |
| 最大回旋速度 | 3.1rad/sec[180°/s] | 2.8rad/sec[162°/s] | 2.9rad/sec[72°/s] |
| 最大傾斜速度 | 2.2rad/sec[125°/s] | 1.5rad/sec[84°/s] | 1.4rad/sec[82°/s] |
| 容許最大扭矩 | 294N·m | 392N·m | 882N·m |
| 傾斜軸容許最大扭曲 | 882N·m | 1347N·m | 3704N·m |
| 重復精度 | ±0.05mm(在R250的位置) | ±0.05mm(在R250的位置) | ±0.05mm(在R250的位置) |
| 停止位置 | 任意 | 任意 | 任意 |
| 重量 | 260kg | 260kg | 470kg |