變位機1PB250/500/1000
從最小的25kg到最大的1000kg,中間一共6種機型;
可通過機器人的示教盒進行操作,可與機器人同時進行示教工作;
采用的是AC伺服馬達和無背隙減速機,因此可以得到和機器人同樣的高精度;
與機器人配套使用時,可以實現協調動作(協調軟件選購)。
從最小的25kg到最大的1000kg,中間一共6種機型;
可通過機器人的示教盒進行操作,可與機器人同時進行示教工作;
采用的是AC伺服馬達和無背隙減速機,因此可以得到和機器人同樣的高精度;
與機器人配套使用時,可以實現協調動作(協調軟件選購)。






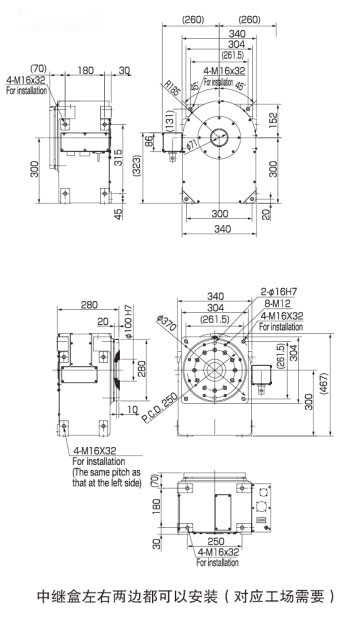
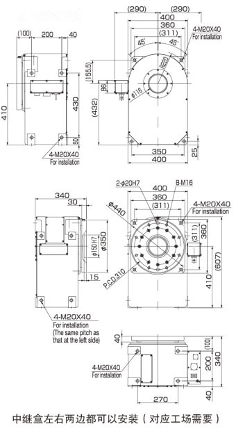
| 型號 | A2PB252-J | A2PB502-J | A2PB1002-J |
| 最大搭載重量 | 250kg | 500kg | 1000kg |
| 最大旋轉速度 | 2.6rad/sec[150°/s] | 2.1rad/sec[120°/s] | 1.3rad/sec[72°/s] |
| 容許最大扭矩 | 206N·m | 490N·m | 1078N·m |
| 重復精度 | ±0.05mm(在R300的位置) | ±0.05mm(在R300的位置) | ±0.05mm(在R300的位置) |
| 旋轉停止位置 | 任意 | 任意 | 任意 |
| 重量 | 110kg | 170kg | 220kg |